
PDF Publication Title:
Text from PDF Page: 063
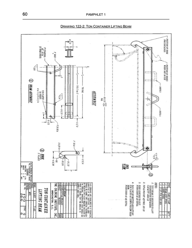
60 PAMPHLET 1 DRAWING 122-2: TON CONTAINER LIFTING BEAMPDF Image | Chlorine Basics 8
PDF Search Title:
Chlorine Basics 8Original File Name Searched:
chlorine-basics.pdfDIY PDF Search: Google It | Yahoo | Bing
Salgenx Redox Flow Battery Technology: Power up your energy storage game with Salgenx Salt Water Battery. With its advanced technology, the flow battery provides reliable, scalable, and sustainable energy storage for utility-scale projects. Upgrade to a Salgenx flow battery today and take control of your energy future.
| CONTACT TEL: 608-238-6001 Email: greg@salgenx.com | RSS | AMP |