
PDF Publication Title:
Text from PDF Page: 054
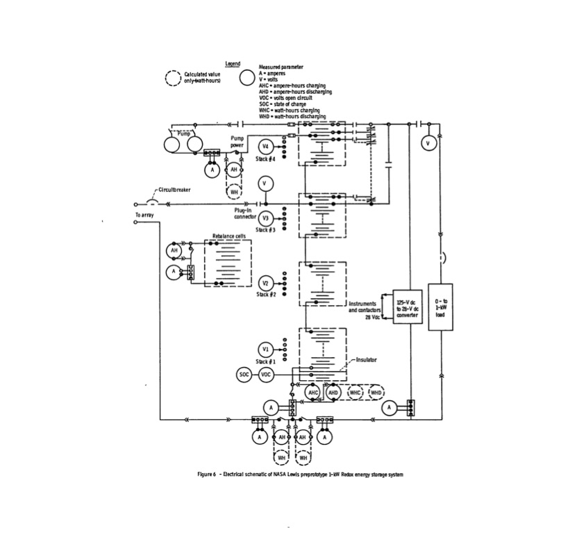
0----""='~ To array )>-i- I- - ~ :=q- Plug-In • I - I "~-'I Calculated value Legend Measured parameter O A-amperes " ....../ only-tNatt-hours) V- volts AHC - ampere-hours charging AHO - ampere-hours discharging VOC - volts open circuit SOC - state cI charge WHC - watt-hours charging WHO - watt-hours discharging T I f?PDF Image | NASA Redox Storage System Development Project 1980
PDF Search Title:
NASA Redox Storage System Development Project 1980Original File Name Searched:
19830006412.pdfDIY PDF Search: Google It | Yahoo | Bing
Salgenx Redox Flow Battery Technology: Power up your energy storage game with Salgenx Salt Water Battery. With its advanced technology, the flow battery provides reliable, scalable, and sustainable energy storage for utility-scale projects. Upgrade to a Salgenx flow battery today and take control of your energy future.
| CONTACT TEL: 608-238-6001 Email: greg@salgenx.com | RSS | AMP |